欢迎访问北京中天恒远环保设备有限公司官网!
咨询热线:010-8022-5898 手机:18610094262
-
染料废水深度处理工艺介绍(图文) 2018-01-24 [公司动态] 热度:195

随着染料行业的发展,染料废水排放量急剧增加,据测算我国每年约有1.6亿吨染料废水排入水体环境中。染料生产过程中多以苯、萘和蒽醌等化合物为原料,且通常与金属或盐类螯合,其产生的废水含有多种染料和中间体,成...
-
染料废水处理介绍 2018-01-24 [公司动态] 热度:341

目前我国各种染料产量已达90万t,染料废水已成为环境重点污染源之一。染料行业品种繁多,工艺复杂。其废水中含有大量的有机物和盐份,具有CODCr高,色泽深,酸碱性强等特点,一直是废水处理中的难题。 染料废水处理...
-
选购加药装置产品时应注意的事项有哪些?(图) 2018-01-24 [公司动态] 热度:284

中天恒远编辑李德馨为您简单的介绍选购加药装置产品时应注意的事项有哪些?希望对广大用户朋友有所帮助。 中天恒远生产的加药装置有以下特点: 1,生产厂家,价格优势;2,专业定制,质量上乘;3,设计师团队,制定专业...
-
智能加氨自动调节装置的详细介绍(图文) 2018-01-24 [公司动态] 热度:279

中天恒远编辑李德馨为您简单的介绍智能加氨自动调节装置,希望对广大用户朋友有所帮助。 中天恒远生产的加药装置有以下特点: 1,生产厂家,价格优势;2,专业定制,质量上乘;3,设计师团队,制定专业的方案;4,售前...
-
中天恒远热销的全自动加药装置设备(图文) 2018-01-24 [公司动态] 热度:235

中天恒远生产的全自动加药装置性能特点: 加药量精确,恒定,加药能力大,适用范围广;操作简便、管理简单;药剂投加量易于调节。 接下来中天恒远小编为大家介绍一下我公司热销的加药装置: 一,磷酸盐加药装置 本装置...
-
水葫芦打捞及处理工艺 2018-01-24 [公司动态] 热度:456

本发明提供了水葫芦打捞及处理工艺,利用水葫芦打捞船从水面收集水葫芦,存放于水葫芦打捞船的收集仓,用水葫芦提升输送装置将收集仓内的水葫芦提升至水葫芦提升输送装置较高的一端,并落入网兜内,然后把装满水葫芦...
-
电渗析法回用高盐废水装置 2018-01-24 [公司动态] 热度:549

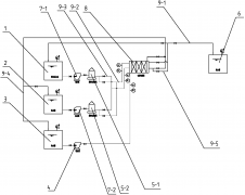
本实用新型涉及一种电渗析法回用高盐废水装置,包括高盐水水池,高盐水水池通过第一管路连接淡水箱,高盐水水池通过管路连接精密过滤器A,精密过滤器A通过第三管路连接精密过滤器B,精密过滤器B通过管路连接浓水箱;...
-
磷化废水处理工艺 2018-01-24 [公司动态] 热度:248

一、磷化废水的主要特征: 磷化废水中除含有大量的磷酸盐、锌离子、酸碱物质及有机物外,根据生产工艺不同,有时还含有一定量的镍离子、铜离子或铅离子等重金属和表面活性剂等污染物,成分复杂,处理难度较大。目前,...
-
高浓度邻苯二甲酸二甲酯废水如何处理 2018-01-24 [公司动态] 热度:387

摘要:Cu2+可以与H2O2发生类Fenton反应,用Fenton法处理同时含有难降解有机物和Cu2+的工业废水时,Cu2+对于Fenton氧化难降解有机物的反应具有促进作用。本实验在高浓度邻苯二甲酸二甲酯(DMP)和Cu2+组成的模拟工业废...
-
污水检测 2018-01-24 [公司动态] 热度:524

水质监测就是水体质量检测。而水体不仅包括水,而且还包括水中共存的悬浮物、底质和水生生物等。因此,水质监测及评价应该包括水相(水、水溶液)、固相(悬浮物、底质)和生物相,才能得出全面、正确的结论。 一、 水质...
-
污水智能监测系统 2018-01-24 [公司动态] 热度:321

本发明提供了一种污水智能监测系统,包括无线传感器网络污水监测模块、通信模块和污水监测中心;所述的无线传感器网络污水监测模块用于基于无线传感器网络采集污水参数,并将污水参数通过通信模块传送至污水监测中心...
-
北京航天城污水处理厂CASS法工艺调试及运行(图文) 2018-01-20 [公司动态] 热度:359

北京航天城污水处理厂是跨世纪国家重点工程的配套设施。该污水处理厂分两期建设,一期工程于1996年12月破土动工,至1998年4月建成并投入设备调试及试运行,7月29日经北京市环保局验收后转入正常运转。近期排放污水量...
-
污水处理填料介绍(图文) 2018-01-20 [公司动态] 热度:272

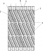
本实用新型公开了一种污水处理填料。该填料由许多片波纹薄板组合而成;单片波纹薄板上端和下端间隔设有一个个截面为梯形的凸台,中间段是一列列平行排列的倾斜的阶梯,每列倾斜的阶梯由一排排平行排列的凸出的台阶即...
-
超临界水氧化技术的工艺及装置(图文) 2018-01-20 [公司动态] 热度:637

由于超临界水具有溶解非极性有机化合物(包括多氯联苯等)的能力,在足够高的压力下,它与有机物和氧或空气完全互溶,因此这些化合物可以在超临界水中均相氧化,并通过降低压力或冷却选择性地从溶液中分离产物。 超临...
-
医疗污水处理流程 2018-01-20 [公司动态] 热度:305

医疗污水处理流程 医疗机构污水中含有一些特殊的污染物,如药物、消毒剂、诊断用剂、洗涤剂,以及大量病原性微生物、寄生虫卵及各种病毒,如蛔虫卵、肝炎病毒、结核菌和痢疾菌等。此外,在设有同位素诊疗室的医疗机...
- 首页
- 上一页
- 13
- 14
- 15
- 16
- 17
- 18
- 19
- 20
- 21
- 22
- 23
- 下一页
- 末页
- 共 32页479条
服务地区:北京;天津;上海;重庆;河北;河南;云南;辽宁;黑龙江;湖南;安徽;山东;江苏;浙江;江西;湖北;广西;甘肃;山西;陕西;吉林;福建;贵州;广东;青海;四川;宁夏;海南
服务地区:哈尔滨;长春;沈阳;南京;济南;合肥;石家庄;郑州;武汉;长沙;南昌;西安;太原;成都;西宁;海口;广州;贵阳;杭州;福州;台北;兰州;昆明;银川;乌鲁木齐;拉萨;南宁
补充分类:电厂;工业;游泳池;系统;工程;工程师;药剂;过滤器;絮凝剂;公司;厂家;生产厂家;