本实用新型涉及一种电渗析法回用高盐废水装置,包括高盐水水池,高盐水水池通过管路连接淡水箱,高盐水水池通过管路连接精密过滤器A,精密过滤器A通过第三管路连接精密过滤器B,精密过滤器B通过管路连接浓水箱;精密过滤器A通过第二管路连接电渗析装置,电渗析装置通过管路连通到第三管路,电渗析装置通过管路连接极水箱,极水箱通过第四管路连接电渗析装置,浓水箱通过管路连通第四管路。本实用新型结构简单,装置平稳运行,大大减少了污水的排放量,提高了废水的利用率,节能减排,达到生产废水的循环利用。并且降低企业产品生产成本,提高企业生产利润,创造出巨大的社会效益。

权利要求书
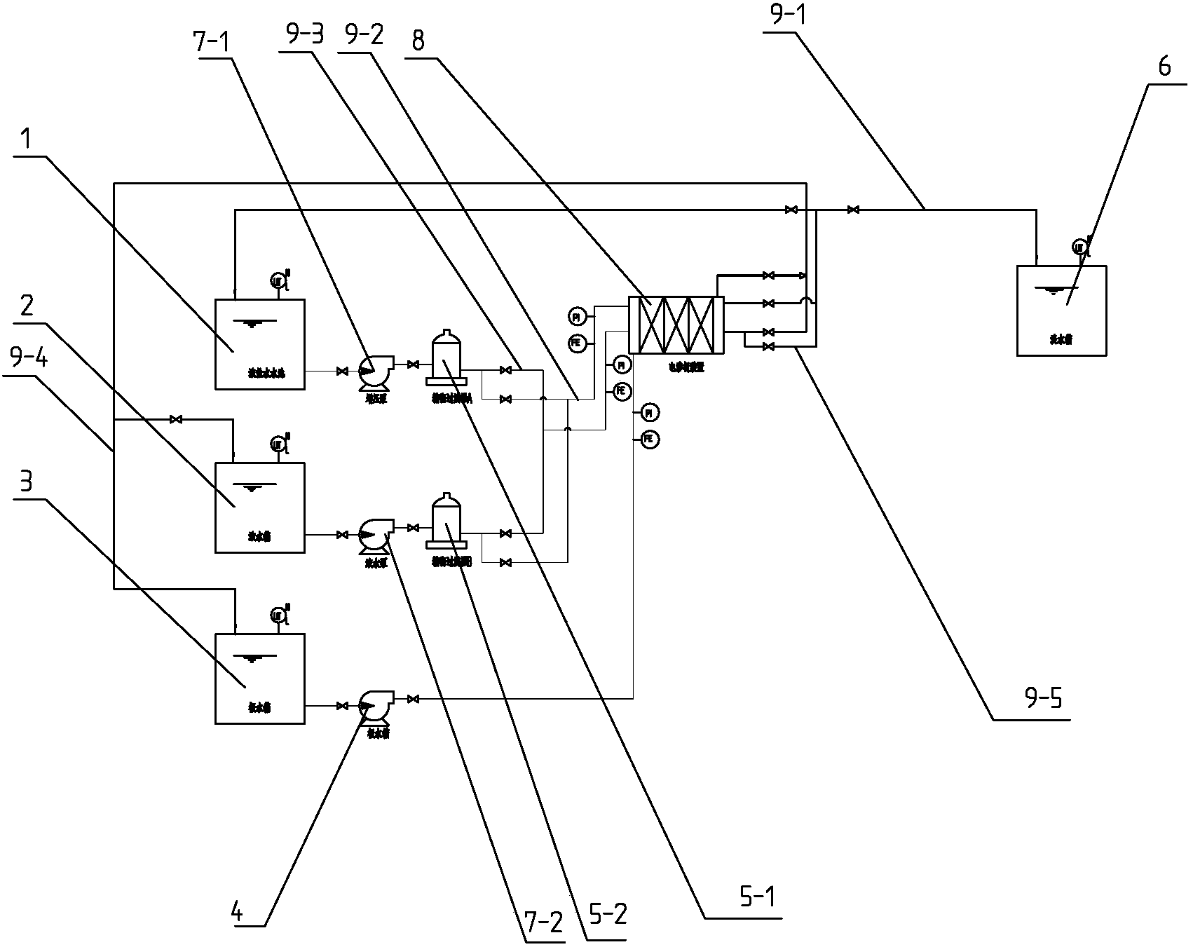
1.一种电渗析法回用高盐废水装置,包括高盐水水池(1),其特征在于,高盐水水池(1)通过管路(9-1)连接淡水箱(6),高盐水水池(1)通过管路连接精密过滤器A(5-1),精密过滤器A(5-1)通过第三管路(9-3)连接精密过滤器B(5-2),精密过滤器B(5-2)通过管路连接浓水箱(2);精密过滤器A(5-1)通过第二管路(9-2)连接电渗析装置(8),电渗析装置(8)通过管路连通到第三管路(9-3),电渗析装置(8)通过管路连接极水箱(3),极水箱(3)通过第四管路(9-4)连接电渗析装置(8),浓水箱(2)通过管路连通第四管路(9-4)。
2.根据权利要求1所述的电渗析法回用高盐废水装置,其特征在于,第二管路(9-2)通过管路连通第三管路(9-3)。
3.根据权利要求1所述的电渗析法回用高盐废水装置,其特征在于,浓水箱(2)与第四管路(9-4)之间的管路上设置阀门。
4.根据权利要求1所述的电渗析法回用高盐废水装置,其特征在于,电渗析装置(8)通过管路连接第四管路(9-4),第四管路(9-4)通过第五管路(9-5)连接管路(9-1),电渗析装置(8)通过管路连接第五管路(9-5)。
5.根据权利要求1所述的电渗析法回用高盐废水装置,其特征在于,高盐水水池(1)和精密过滤器A(5-1)之间的管路上设置增压泵(7-1),浓水箱(2)和精密过滤器B(5-2)之间的管路上设置浓水泵(7-2)。
6.根据权利要求1所述的电渗析法回用高盐废水装置,其特征在于,极水箱(3)与电渗析装置(8)之间的管路上设置极水泵(4)。
说明书
电渗析法回用高盐废水装置
技术领域
本实用新型涉及一种电渗析法回用高盐废水装置。
背景技术
节能降耗是国家鼓励与支持的政策,同时随着近年来国家环保政策越来越严格,越来越多的地区对企业的用水、排水提出了更高的要求,在减少原水用水的同时,尽量减少废水排放,在条件允许的情况下,鼓励企业实现废水的零排放。对于企业来说,寻找稳定可靠的零排放工艺刻不容缓,高盐水的处理成为关键难题。通常反渗透工艺产生大量的高含盐废水,再次经反渗透浓缩处理存在一定的难点,而直接使用蒸发浓缩工艺,大量的废水又增加了初期投资及运行成本。
实用新型内容
本实用新型的目的是提供一种电渗析法回用高盐废水装置,结构简单,装置平稳运行,大大减少了污水的排放量,提高了废水的利用率,节能减排,达到生产废水的循环利用。并且降低企业产品生产成本,提高企业生产利润,创造出巨大的社会效益。
本实用新型所述的一种电渗析法回用高盐废水装置,包括高盐水水池,高盐水水池通过管路连接淡水箱,高盐水水池通过管路连接精密过滤器A,精密过滤器A通过第三管路连接精密过滤器B,精密过滤器B通过管路连接浓水箱;精密过滤器A通过第二管路连接电渗析装置,电渗析装置通过管路连通到第三管路,电渗析装置通过管路连接极水箱,极水箱通过第四管路连接电渗析装置,浓水箱通过管路连通第四管路。
第二管路通过管路连通第三管路。
浓水箱与第四管路之间的管路上设置阀门。
电渗析装置通过管路连接第四管路,第四管路通过第五管路连接管路,电渗析装置8通过管路连接第五管路。
高盐水水池和精密过滤器A之间的管路上设置增压泵,浓水箱和精密过滤器B之间的管路上设置浓水泵。
极水箱与电渗析装置之间的管路上设置极水泵。
企业生产中产生的高盐废水进行浓缩处理,产生的淡水,回用于企业生产工艺用水环节,而经电渗析浓缩后的高含盐废水,再经蒸发等方式实现零排放,电渗析的多级浓缩工艺,减少了企业的新鲜水用水量,同时降低了废水的排放量甚至实现零排放,从而降低企业产品生产成本,提高企业生产利润,且创造出巨大的社会效益。
与现有技术相比,本实用新型具有以下有益效果:
本实用新型电渗析法回用高盐废水装置,结构简单,工艺路线明确,装置运行平稳,极水循环利用,浓水循环利用并部分回用于高浓度盐水中,大大提高了浓水含盐量,同时进一步降低了浓水排放量,提高了废水电渗析装置的水利用率。同时,作为浓盐水零排放系统的前处理装置,大大减少的高含盐废水量减少了后续蒸发系统的投资及运行费用,达到节能减排目的。电渗析产生的淡水,满足工艺用水需求及反渗透进水水质要求,实现了高盐废水的循环利用。
本实用新型提高了废水的利用率,节能减排,达到生产废水的循环利用。并且降低企业产品生产成本,提高企业生产利润,创造出巨大的社会效益。





