无头除氧器工作原理及主要优势,这几天有许多客户朋友咨询这个问题,为了给大家一个准确的答案,作者认真查阅了行业资料、深入研读了技术文档,并与公司专业的技术经理进行多轮探讨交流,综合整理专业知识与实践经验,整理总结出这篇文章,希望可以帮助到广大朋友们。
一,无头除氧器概述
无头除氧器是低位热力除氧器的一种特殊类型。
在锅炉给水处理工艺过程中,除氧是一个非常关键的环节。氧是给水系统和锅炉的主要腐蚀性物质,给水中的氧应当迅速得到清除,否则它会腐蚀锅炉的给水系统和部件,腐蚀产生氧化铁会进入锅内,沉积或附着在锅炉管壁和受热面上,形成难溶解道至传热不良的铁垢,而且腐蚀会造成管道内壁出现点坑,阻力系数增大。管道腐蚀严重时,甚至会发生管道爆炸事故。国家规定蒸发量大于等于2吨每小时的蒸汽锅炉和水温大于等于95℃的热水锅炉都必需除氧。多年来众多锅炉给水处理专家,针对常温水除氧一直都在探求既高效又经济的除氧方法。北京中天恒远有十几年设计和生产除氧器的经验,采用先进的设计方案和制造工艺,与同行业常规除氧器相比具有很多优点。目前国内已有数家已建和在建的企业采用无头除氧器技术,投运的企业均达到良好的运行效果。

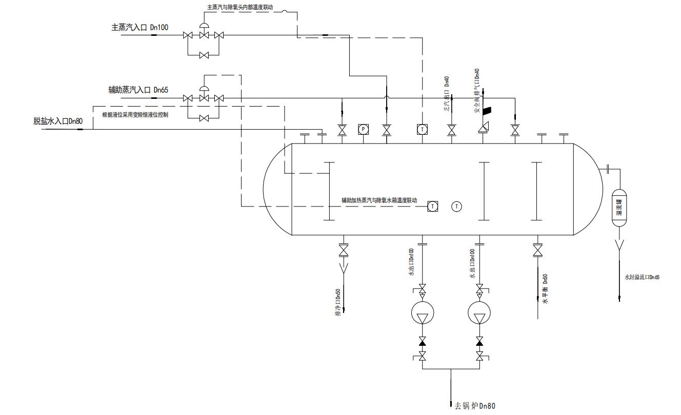
二,无头除氧器结构组成
无头除氧器是由汽水混合加热器、罐体、软水进水盘管、二次加热再沸腾管、隔温板、水泵防汽蚀装置、液位计、温度计、自动溢流罐、安全阀、电动阀等结构组成。
三,无头除氧器工作原理
总体上包括三个工作过程:
一次除氧:
软水经软水进水盘管进入汽水混合加热器,在此过程中与罐体内的除氧出水进行热交换,将除氧出水降温,同时对软水盘管内的软水进水预热。此过程有两个好处:
a.让软水多吸收热能。
b.对除氧出水降温防止水泵汽蚀。
汽水混合加热器直接联接于软水进口。被加热软水在喷管内高速流动,蒸汽从喷管外侧壁面上的小斜孔高速压入喷管内的被加热液体中,二者在高速流动中瞬时良好混合,从而实现加热水的目的。实现了启动无冲击、运行无震动、噪声极小,在装有温度自动控制系统的情况下,仍能平稳运行。通过一次测温检测调节进水电动调节阀与进蒸汽电动调节阀相互匹配,达到除氧温度,一次除氧完成。
二次除氧:
二次除氧的目的是保证罐体内温度始终保持在除氧温度,以保证除氧效果的最大化。过程实现是根据二次测温开启二次加热进蒸汽电动球阀,蒸汽通过二次加热再沸腾管结水罐体内的水进行加温,二次除氧完成。
排汽 :
在工作过程中,会定时排出罐体内脱出的氧气。
四,无头除氧器系统流程图

五,无头除氧器性能参数说明
型号说明:

六,无头除氧器产品优势
蒸汽与液体瞬间混合均匀,加热迅速,热效率高达100%,节能。
汽水混合加热蒸汽压力低于,高于被加热液体压力均可使用,而不受蒸汽压力必须高于液体压力0.05~0.1Mpa的限制。
振动小,噪音低。
体积小, 投资少。
温升大,可达104℃以上。
结构简单、不易结垢、免维护、使用寿命长。
可利用工业低压乏汽作热源制热水,节约了能源,保护了环境。
由于针对用户参数选用型号或专门设计,对用户有极强的适用性,运行平稳,能满足用户各项要求。
北京中天恒远联系方式:
技术经理:186-1009-4262
电话微信:186-1009-4262
咨询电话:010-8022-5898
无头除氧器工作原理及主要优势就为大家讲解到这里啦。如果您想要了解更多软化水设备、除氧器,加药装置、定压补水装置,反渗透设备、污水处理设备等,欢迎关注北京中天恒远官方网站。我们将持续更新专业的技术文章,希望对您有所帮助。





